Recherche Google
OMChroma User ManualPredefined Classes > Sampler > Reading from a sound file > Reading from a Sound file with SMPL-1
page précédentepage suivante

Reading from a Sound file with SMPL-1

Tutorial SMPL-1

Specific Slots

Name

Description

Default value

amp

Maximum Amplitude. Linear from >0.0 to 1000 or in dB from 0 to -∞ (see Tutorial Getting Started 02 - Amplitude and Internal Editor for more details)

0.0

f0

Transpose the pitch of input sound by this factor (e.g. 0.5 means one octave lower, 2 is one octave higher, and 1 is the original pitch). Fractional and negative values are allowed (the latter results in playing the file backwards)

1.0

afil

Audio file [name, with possible path, sound, string, pathname or GEN01]

File: santuri_96

skip

(Minimum) starting point when reading an audio file [sec]

0.0

aenv

Amplitude Envelope [GEN]

Instance: GEN07

win

Attack and decay time in [sec]

0.01

wrap

Wrap flag: 0=locations beyond EOF produce silence, <>0=wrap from beg of file

1

Class description

The SMPL-1 Class is a Sampler with the following controls:

  • The main ampllitude,
  • The transposition factor,
  • The starting point of the audio file,
  • The amplitude envelope by means of a GEN routine,
  • The attack and decay time of the total duration of the amplitude envelope,
  • The wrapping mode (enable or disable)
Patch description

The example A explains the transposition's factor and how to play the audio file backwards (negative values).

The example B focuses on the wrap mode. If the duration required is longer as the audio file with the wrap mode enabled (non zero values) the audio file will restart. Conversely with the wrap mode disabled the audio file will not restart and you get silence.

The example C collects a list of skipping times (in seconds) with the wrapping mode disabled.

The example D realizes 4 different attack and decay times of the amplitude envelope.

Reminder

It's possible give the audio file in two ways : with the sound class (evaluate and then blocked) or directly with the generic function infile.

Common Red Patches

For the red patch C#ed and Synt see Appendix A

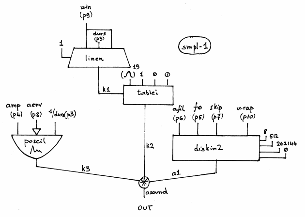
Inside the Class

Csound Orchestra of the SMPL-1 Class.

instr 1

idur = p3

idurosc = 1/idur

iamp = (p4 > 0.0 ? (p4*0.001) : (10 ^ (p4/20.0)))

; relative amplitude to the sound file (to avoid multiplying twice)

if0 = p5 ; transposition factor

ifile = p6

;ifilepeak filepeak ifile ; take away the semicolons if you want to read the

;print ifilepeak ; max amp of the file on the terminal

iskip = (p7 < 0.0 ? (p7*if0) : p7)

; to make the value not depend on the xposition factor if it's negative

iaenv = p8 ; global amplitude envelope

iwin = (p9 > idur/2 ? idur/2 : p9) ; local envelope

iwout = iwin

ixmode = 1 ; index between 0 and 1

ixoff = 0 ; index offset

ixrap = 0 ; no wraparound in table reading

iwrap = p10

iformat = 8 ; 24-bit int, ignored if the sound file has a header

iwsize = 512 ; the bigger, the better the quality of the transposition

ibufsize = 262144 ; maximum = 1048576, higher makes less disk access

iskipinit = 0 ; do not skip initialization

isigfun = 19 ; sigmoid function

; local envelope (for the grain)

k1 linen 1,iwin,idur,iwout

k2 tablei k1,isigfun,ixmode,ixoff,ixrap

; global envelope

k3 poscil iamp, idurosc, iaenv

; file reading

a1 diskin2 ifile, if0, iskip, iwrap, iformat, iwsize, ibufsize, iskipinit

asound = a1*k2*k3

outc asound

endin

Flow chart
page précédentepage suivante
A propos...Réalisé avec Scenari