Recherche Google
OMChroma User ManualPredefined Classes > Sampler > Crossfading Looper > Crossfading Looper with SMPL-6
page précédentepage suivante

Crossfading Looper with SMPL-6

Tutorial SMPL-6

Specific Slots

Name

Description

Default value

amp

Maximum Amplitude. Linear from >0.0 to 1000 or in dB from 0 to -∞ (see Tutorial Getting Started 02 - Amplitude and Internal Editor for more details)

0.0

f0

Minimum value of the pitch transposition of input sound by this factor (e.g. 0.5 means one octave lower, 2 is one octave higher, and 1 is the original pitch). Fractional values are allowed. Negative values are not.

2.0

afil

Audio file [name, with possible path, sound, string, pathname or GEN01]

31

skip

(Minimum) starting point when reading an audio file [sec]

0.5

aenv

Amplitude Envelope [GEN]

Instance: GEN07

lpbeg

Loop start point [sec]

0.3

lpend

Loop end point [sec]

0.6

win

Crossfade time [sec]

0.3

mode

Loop modes: 0 forward, 1 backward, 2 back-and-forth

1

Class description

The Smpl-6 Class is a Crossfading Looper with the following controls:

  • The main ampllitude,
  • The transposition factor,
  • The starting point of the audio file,
  • The amplitude envelope by means of a GEN routine,
  • The loop start and end point,
  • The crossfade time,
  • The loop mode.
Reminder

The only different between SMPL-5 and SMPL-6 is the skipping allocation. In SMPL-5 the skip time is set to an absolute value (e.g. in seconds), instead in SMPL-6 is set in relative value as a percentage and that is really useful for reverse playing.

Patch description

The example A employs the SMPL-6 instead the example B employs SAMPL-5 with the same given data. How you can see the difference is the relative skip time of SMPL-6.

Common Red Patches

For the red patch C#ed see Appendix A

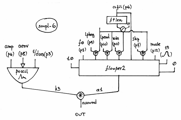
Inside the Class

Csound Orchestra of the SMPL-6 Class.

instr 1

idur = p3

idurosc = 1/idur

iamp = (p4 > 0.0 ? (p4*0.001*0dbfs) : (ampdbfs (p4)))

iamp = iamp/0dbfs ; since sfile is not normalized, reduce amp between 0 and 1

ixpf = p5

ifile = p6 ; must be a GEN01

ilen = ftlen(ifile)/sr ; length of table [sec]

iskip = p7*ilen

iaenv = p8 ; global amplitude envelope

ilpbeg = p9*ilen

ilpend = p10*ilen

ilpxf = p11*ilen

ilpmode = p12

iskp = 0 ; do not skip initialization

isigfun = 19 ; sigmoid function

; global amplitude envelope

k3 poscil iamp, idurosc, iaenv ; file reading

;a1 lposcil 1.0, ixpf, ilpbeg, ilpend, ifile, iphs

a1 flooper2 1.0, ixpf, ilpbeg, ilpend, ilpxf, ifile, iskip, ilpmode, isigfun, iskp

asound = a1*k3

out asound

endin

Flow chart
page précédentepage suivante
A propos...Réalisé avec Scenari